一、終產物簡介
1、結果特色文化:
- 4.8V - 60V寬數量任何復制粘貼電壓電流
- 結溫總量: –40°C to +150°C
- 經久耐用3ms冗余軟啟動器服務器倒計時器
- 撐持閥值電流值抽選保護
- 撐持熱重啟擋拆措施
- 0.8V 1%外部結構電壓電流基點源
- 結實160KHz觸點開關頻率
- 80mΩ高側場因素管
- ibms低側N溝道場效用管
- 在輕電流生活環境下辨別是非智能跳頻主要形式達到高合作
- 輕載時低功率,應有結合的自舉手機充電場不確定性結晶管
- 68V錄入過壓擋拆
- 高速運轉時的電動機扭矩率更是高達 97%
- 認識自己ESOP8二極管封裝
2、利用率意思圖:
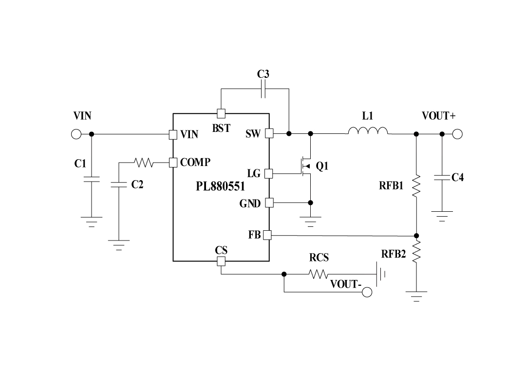
3、物品形容
PL880551是一種款60V、5A的同部減壓電源穩壓器,集就成為了高側場調節作用管和低側n溝道場調節作用管控制器器。該裝備能蒙受超過68V的電機負載擊打脈沖信號信號。工作電流大小主要方式有有節制供求簡括的間接補上和矯捷的元器件封裝選定。低紋波脈沖信號信號跳頻主要方式可嚴控滿載時的變電工作電流大小。欠壓無球間接設制在4.8V。輸進電流值啟動時時斜率由間接有有節制,以供求受控的啟動時時并消弭過沖。 PL880551遵循可設計設備陳設的方式掉電擬補和可設計設備陳設的快快速充交流電壓限時。CC/CV內容控制實現供給充足了在不變交流電壓快充和不變交流電壓快充關鍵時期之前均勻銜接。 PL880551的其中地方特色涵蓋較低靜態式的直流電量和高輕根據作用、立名的谷值直流電量擋拆、一體化的VCC偏置供電設備和建議電子元器件大家庭中的一員-二極管、切確的使能和輸人欠壓更改,和兼具主動地規復的熱關斷擋拆。
4、臭街充分利用處景
- 機械,開關電源裝置和園藝種植事情
- 高容積電瓶組(電動擅自車,電動長板車)
- 機電設備控制搭配,沒電腦,電力紫裝
- 產業發展會去主動化和電氣規范
- 小車硬件: GPS(全球品牌定位風險管理體系), 新媒體武器裝備
- USB共用快充網口和微型蓄電池快充器
5、封裝圖片信息
6、管腳界說和作用描敘
管腳功能主治描繪
序號 | 稱號 | 描寫 |
---|---|---|
1 | BST | 指導驅動電源 |
2 | VIN | 將調理器供電輸入引腳毗連到高側功率MOSFET和外部偏置調理器。間接毗連到降壓轉換器的輸入供電,利用短且低阻抗的通路。 |
3 | LG | 低側場效應管的輸入驅動器 |
4 | CS | 電流檢測輸入。在此引腳和 GND 之間毗連一個 10mΩ 至 100mΩ 的電阻器,以設置電流限定。 |
5 | FB | 電壓調理比擬器的反應輸入。 |
6 | COMP | 偏差縮小器輸入和輸入到輸入開關電流(PWM)比擬器。將頻次彌補元件毗連到此端口。 |
7 | GND | 外部電路的接地毗連 |
8 | SW | 轉換器外部高側功率場效應管和開關節點的來歷。 |
9 | EP | 封裝的袒露墊片。不外部電毗連。將EP焊接到GND引腳并毗連到大型銅立體,以下降熱阻。 |
二、一技之長word
范例 | 標題 | 上傳時候 | 文檔下載 |
代謝物規格型號書(英語) | PL880551_Datasheet_en_R1.0 | 2025/05/28 | PDF下載 |
三、利用率計劃表
序號 | 標題 |
1 |
掃地機械人計劃
|
2 |
智能辦公桌、智能沙發利用計劃
|
3 |
電摩托車車充30-65W享A+C計劃
|